倍加福電感式傳感器NBB0,6-3M22-E0系列產品
【產品特性】 ●0.6 mm,齊平 ●微型設計 |
倍加福電感式傳感器NBB0,6-3M22-E0系列產品質量優秀。該系列產品采用先進的電感式傳感技術,具有高靈敏度和精確度的特點。其精密的制造工藝和嚴格的質量控制保證了產品的穩定性和可靠性,能夠在各種惡劣環境下正常工作。此外,該系列產品還具有耐磨損、防塵防水等特性,適用于各種工業應用場景。倍加福電感式傳感器NBB0,6-3M22-E0系列產品是一款高品質的選擇,可滿足客戶的多樣化需求。
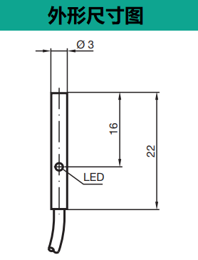
——產品尺寸——


倍加福電感式傳感器NBB0,6-3M22-E0產品相關型號:
NBB0,6-3M22-E0;NBB0,6-3M22-E0-0,3M-V3;NBB0,6-3M22-E1;NBB0,6-3M22-E2;NBB0,6-3M22-E2-0,3M-V3;NBB0,6-3M22-E3;NBB0,6-4GM22-E0;NBB0,6-4GM22-E2;NBB0,6-4GM22-E2-0,3M-V3;NBB0,6-4GM22-E3
——產品參數——



