倍加福顏色傳感器和色標傳感器DK20/35B系列產品
| 【產品功能描述】 | |
| 色標傳感器通常用于檢測物體上的特定顏色標記或斑點,這是通過將其與非比色區域進行比較來實現的,而不是直接測量顏色。 | |
| 【附件產品】 | |
·OMH-DK ·直角安裝套件 ·OMH-DK-1 ·扁平安裝套件 | |
色標傳感器DK20/35B實際上是一種反向裝置,光源垂直于目標物體安裝,接收器與物體成銳角安裝,使其只能檢測來自目標物體的散射光,從而避開傳感器直接接收反射光,并允許光束被窄聚焦。白熾燈和單色光源均可用于比色檢測。
產品·特點
——色標傳感器DK20/35B產品特性——
●靜態TEACH-IN:自動開關閥值設置 ●響應時間為30s,適用于極高速檢測 ●強大的推挽輸出 ●光學系統可轉換90o ●堅固的防水塑料外 | ![]() |
產品·規格參數
——色標傳感器DK20/35B產品功能——
通用規格參數——
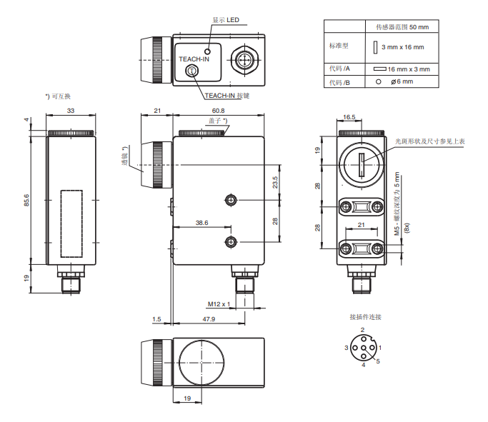
·安裝范圍:50 mm
·光源類型:LED
·光斑直徑:3 mm x 16 mm,縱向光斑
·偏差角:max.±3o
·認證:CE
·光源特性:可見紅光,調制光
·TEACH-IN:靜態TEACH-IN
工作方式——
·功能顯示:黃色LED;開關操作:檢測到色標即點亮
——TEACH-IN操作:LED慢閃
——報警顯示:如存在誤操作,則LED快閃
·調節元件:TEACH-IN按鍵
·工作電壓:10...30 V DC
·紋波:10%
·空載電流I0:70 mA
工作環境——
·工作溫度:-20...60oC(253...333 K)
·儲藏溫度:-20...75oC(253...348 K)
輸出——
·開關類型:亮/暗通可選,由TEACH-IN的順序決定
·信號輸出:推挽輸出,短路保護,反極性保護
·負載電壓:PNP:(+UB-2.5 V),NPN:1.5 V
·負載電流:最大.200 mA
·開關頻率f:16.5 KHz
·響應時間:30s
機械特性——
·防護等級:IP67
·連接:M12連接頭,5針
·外殼:PC(Makrolon,玻璃纖維加固)
·光學透鏡:玻璃透鏡
·重量:200g

色標傳感器的工作原理:
色標傳感器常用于檢測特定顏色或物體上的光斑,它與非色標區域進行比較來實現色標檢測,而不是直接測量顏色。色標傳感器實際上是一個反向裝置,光源垂直于目標物體安裝,而接收器與物體成銳角安裝,這樣它只檢測來自目標物體的散射光,從而避免了傳感器直接接收反射光,可使光束聚焦很窄。白熾燈和單色光源均可用于色標檢測。


