
槽型光電傳感器型號:GL5-L/28a/115
·光電槽型傳感器
·帶固定電纜
槽型光電傳感器GL5-L/28a/115描述:
GL5 小型光電槽型傳感器體積小巧,光學性能出眾。滿足半導體工業微型物體的檢測需求。在同類產品中具有 DC 5 - 24 V 的寬電壓范圍和 高達 5 kHz 的最快開關頻率。內部集成的聚焦孔使傳感器能檢測尺寸為0.8 x 1.8 mm的微型物體。傳感器提供 NPN 或者 PNP 輸出。多樣且優化的外殼使傳感器最大程度地適用于擁擠環境中。
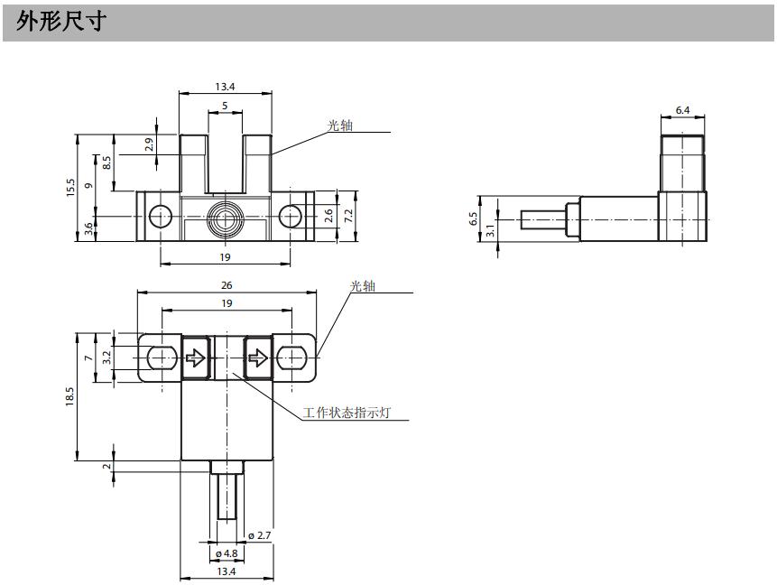
槽型光電傳感器GL5-L/28a/115外形尺寸:

一般說明功能參數:
·光源類型:連續式紅外光, 940 nm
·光源特性:紅色激光
·認證:CE, cULus Listed 57M3 (Only in association with UL Class 2 power supply; Type 1 enclosure)
·障礙物尺寸:0,8 x 1,8 mm
·槽寬:5 mm
·極限環境光強:1000 Lux
槽型光電傳感器GL5-L/28a/115響應頻率:

槽型光電傳感器GL5-L/28a/115應用領域:
應用
GL5 適用于半導體和電子工業應用環境
典型應用包括 :
1. 導線檢測
2. 凸輪位置檢測
3. 移動物體的極限位置檢測
4. 膠片檢測

