
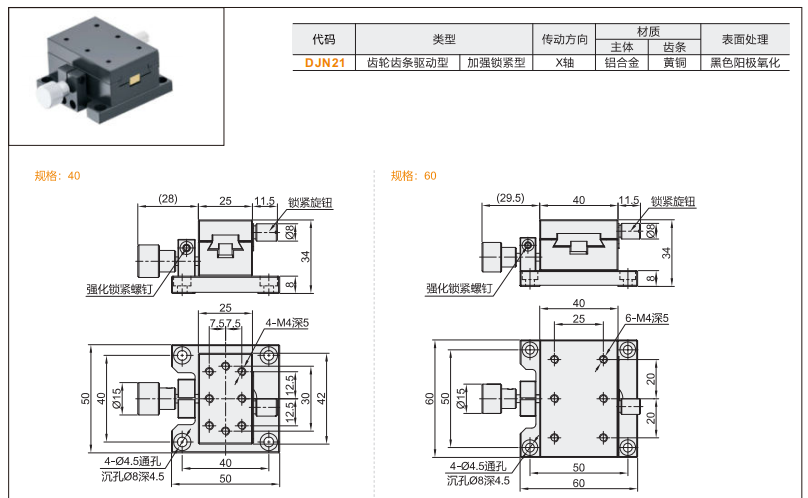
DJN21系列高精度手動位移滑臺采用齒輪齒條驅動設計,專為需要精密線性定位的工業及科研場景打造。通過優化傳動結構與剛性導軌系統,可實現毫米級微調與穩定負載支撐,兼顧操作便捷性與長期耐用性。

核心特點:
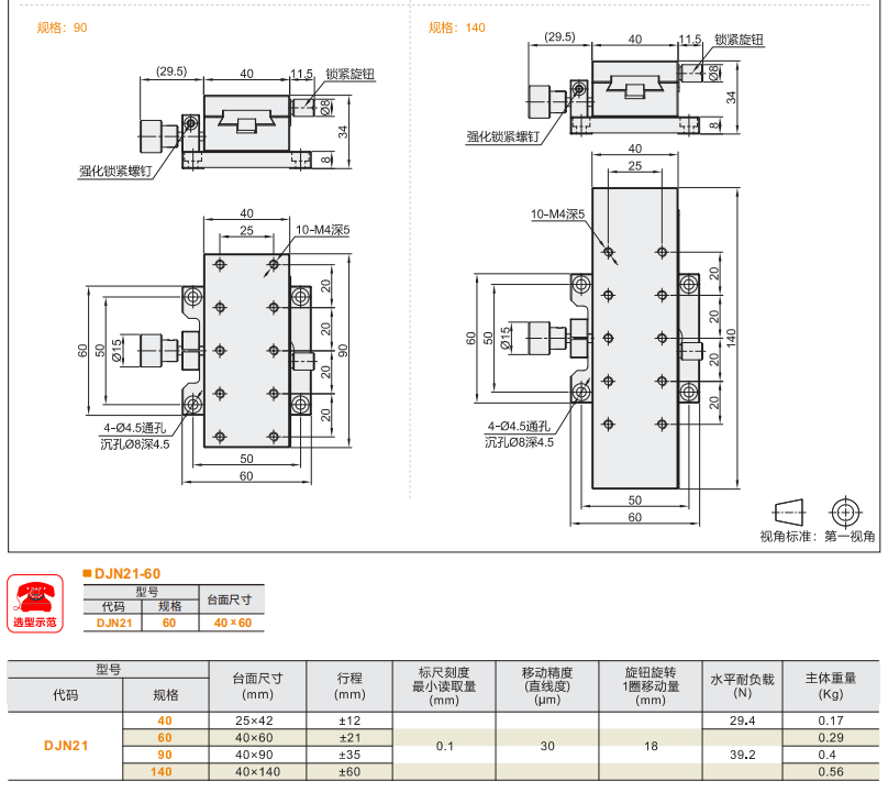
(1)高精度定位:精密齒輪齒條嚙合配合低背隙設計,重復定位精度達±0.02mm,適用于光學調整、檢測設備等高要求領域。
(2)剛性結構:硬質陽極氧化鋁合金主體搭配強化鋼制齒條,抗磨損且承載能力強(靜態負載最高達50kg)。
(3)人性化操作:手輪搭配刻度環或選配數顯裝置,支持快速粗調與精細微調,部分型號集成鎖緊機構防位移。
(4)模塊化擴展:支持水平/垂直安裝,多軸串聯組合,滿足復雜運動平臺搭建需求。
典型應用:
激光對焦、自動化檢測工裝、實驗室儀器定位、半導體設備調試等需手動精密控制的線性運動場景。可選行程/負載定制,提供防塵版本(DJN21-C系列)適應惡劣環境。



