
集成安裝的壓力調節閥LRB,LRBS
(1)用于安裝帶壓縮空氣氣源的調節器電池,用于獨立調節壓力范圍
(2)直接控制的膜片調壓閥
(3)通過鎖定旋轉手柄和插入式調整保險裝置確保設置值不變
(4)可關閉型
(5)未配備壓力表
(6)規格Mini、Midi





咨詢熱線0755-26993877

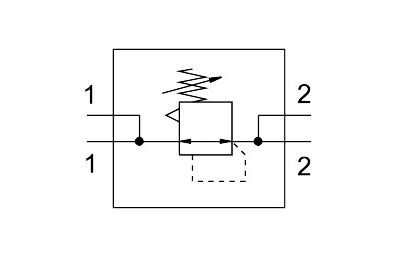
集成安裝的壓力調節閥LRB,LRBS
(1)用于安裝帶壓縮空氣氣源的調節器電池,用于獨立調節壓力范圍
(2)直接控制的膜片調壓閥
(3)通過鎖定旋轉手柄和插入式調整保險裝置確保設置值不變
(4)可關閉型
(5)未配備壓力表
(6)規格Mini、Midi



